Smart Touchscreen Wall Switch with 3-Gang Control & HomeKit Support
Ships within India. Includes device, user manual, and screw kit.
The Aqara Magic Switch S1E (Model: MS-K01D) is a smart wall switch with a built-in 480x480 color touchscreen. It replaces a standard wall switch and gives you a full control panel to manage lights, curtains, locks, and scenes â right from the wall. It supports up to 6 customizable dashboard screens with 9 zones each.
To configure and manage the Aqara Magic Switch S1E, you need the Aqara Home app. It is available for both iOS and Android.
Safety First! Always turn OFF the main power supply before wiring. If you are not experienced with electrical work, hire a licensed electrician.
Neutral wire (N) is required. The S1E will NOT work without a neutral wire connection.
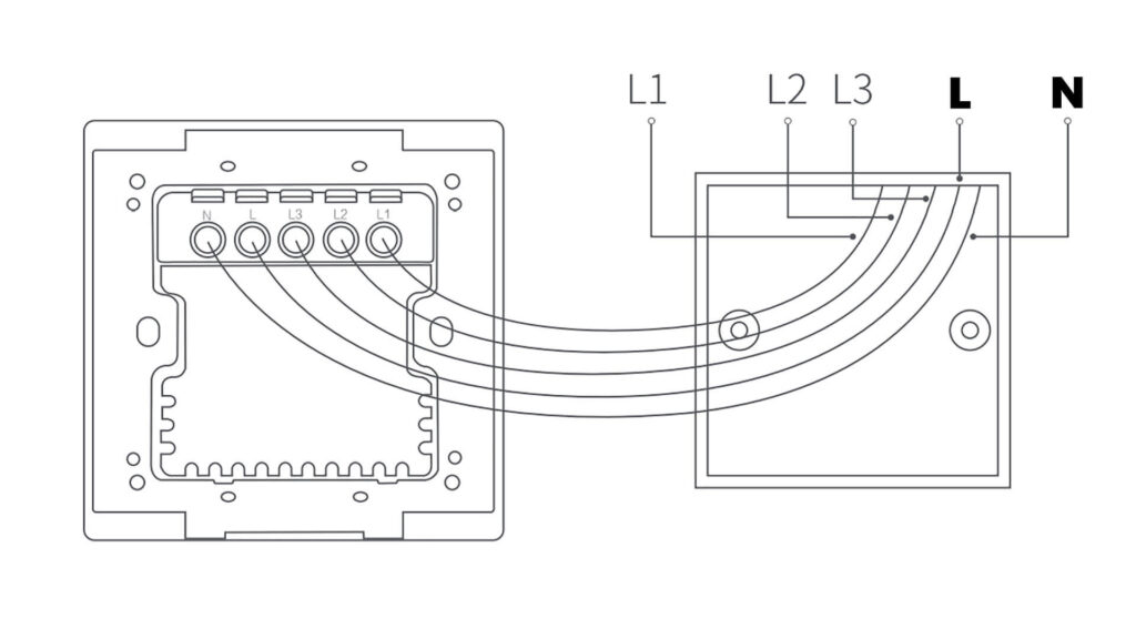
The switch has 5 wiring terminals on the back:
âââââââââââââââââââââââââââ
â AQARA S1E (BACK) â
â â
â âââââ âââââ âââââ â
â â N â â L â âL1 â â
â âââŦââ âââŦââ âââŦââ â
â â â â â
â âââââ âââââ â
â âL2 â âL3 â â
â âââŦââ âââŦââ â
â â â â
âââââââââââââââââââââââââââ
N â Neutral (Blue wire) [MANDATORY]
L â Live/Line (Brown/Red) [From MCB]
L1 â Load 1 (Light Group 1)
L2 â Load 2 (Light Group 2)
L3 â Load 3 (Light Group 3)
N (Neutral) â Connect to the Neutral wire (usually Blue). This is mandatory.
L (Live/Line) â Connect to the Live wire from the main supply (usually Brown/Red).
L1 (Load 1) â Connect to the wire going to Light/Fan Group 1.
L2 (Load 2) â Connect to the wire going to Light/Fan Group 2.
L3 (Load 3) â Connect to the wire going to Light/Fan Group 3.
If you only use 1 or 2 light groups, you can leave the unused L2/L3 terminals empty. Just configure only the channels you need in the app.
Open the Aqara Home app and create an account (or sign in).
Tap the "+" button to add a new device.
Select "Magic Switch S1E" from the device list.
Make sure your phone is connected to a 2.4GHz Wi-Fi network (5GHz is not supported).
Follow the on-screen instructions to pair the switch. The S1E will beep when pairing starts.
Once paired, assign the switch to a Room in the app.
Configure the 3 switch channels â assign each channel (L1, L2, L3) to the corresponding light group.
Customize the touchscreen dashboards â add tiles for devices, scenes, weather, and time.
Optionally, link to Apple HomeKit by scanning the HomeKit code on the device or in the app.
| Model | MS-K01D |
|---|---|
| Dimensions | 86 x 86 x 41.35 mm |
| Display | 480 x 480 Color Touchscreen |
| Wireless | Wi-Fi IEEE 802.11 b/g/n 2.4GHz |
| Rated Input | 220-240V~, 50/60Hz |
| Max Load (Incandescent) | 2200W (3 channels total) |
| Max Load (LED/CFL) | 400W (3 channels total) |
| Operating Temp | -10°C to 40°C |
| Humidity | 0% - 95% RH (non-condensing) |
| Platform | Aqara Home, Apple HomeKit, Home Assistant |
Can't connect to Wi-Fi? â Make sure you are on a 2.4GHz network. The S1E does not support 5GHz Wi-Fi.
Screen not turning on? â Verify the Neutral (N) wire is properly connected.
Switch not responding? â Long press the touchscreen for 10 seconds to factory reset.
Language is Chinese only? â As of now, the S1E touchscreen UI only supports Chinese. However, the Aqara Home app can be used in English.
Works with Home Assistant? â Yes! Add it via the HomeKit integration in Home Assistant for full control.
Power monitoring inaccurate? â Allow 24-48 hours for the power readings to calibrate after installation.